加入收藏
本站
站群
搜索
网站首页
网站首页
信息发布
信息公开
解读回应
办事服务
互动交流
走进宿州
投资政策
招商项目
您当前的位置:
首页
>
信息发布
>
通知公告
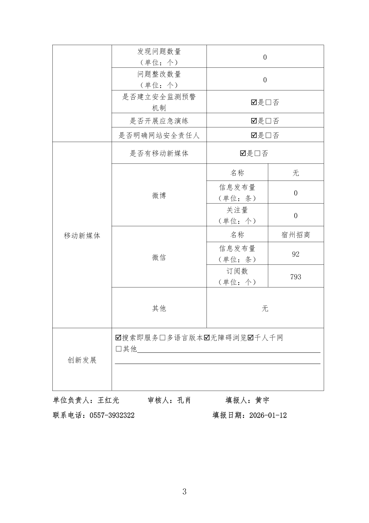
宿州市投资促进中心2025年度政府网站工作报表
发布日期:2026-01-16 09:48
来源:宿州市投资促进中心
编辑:站点管理员
阅读次数:
字号:
大
中
小
背景颜色:
分享到:
打印
智能问答
宿事速办
微信
分享